Sorry, we have not watched this yet.
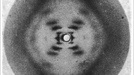
On April 25, 1953, James Watson and Francis Crick published their groundbreaking discovery of the double helix structure of DNA, the molecule essential for passing on our genes and the ''secret of life.'' But their crucial breakthrough depended on the pioneering work of another biologistÐRosalind Franklin. She would never know that Watson and Crick had seen a crucial piece of her data without her permission. This was an X-ray image, ''Photo 51,'' that proved to be a vital clue in their decoding of the double helix. 50 years later, NOVA investigates the shocking truth behind one of the greatest scientific discoveries and presents a moving portrait of a brilliant woman in an era of male-dominated science. Sadly, Franklin never lived to see her vital role in the discovery vindicated. While Watson and Crick went on to win the Nobel Prize in 1962, Franklin died in 1958, at 37, from ovarian cancer; and the Nobel is not awarded posthumously. Hear the inside story from Maurice Wilkins, the colleague who showed her crucial x-ray to Watson; Raymond Gosling, FranklinÕs Ph.D. student with whom she made Photo 51; and Nobel Prize winner Sir Aaron Klug, FranklinÕs last collaborator, who shows new evidence of just how close Franklin came to making the vital double helix discovery herself.
Sorry, we have not watched this yet.